止回閥

H74W對夾式單瓣止回閥
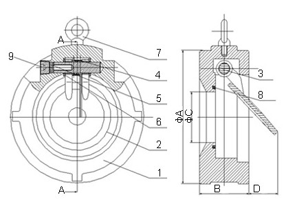
產品簡介
News Center
新聞中心產品型號:H74H/N/X/W
產品口徑:DN50-300mm
產品壓力:1-2.5Mpa
產品材質:鑄鐵、鑄鋼、不銹鋼
適用介質:水、氣、油
適用溫度:-20℃-425℃
1、結構長度短;
2、體積小、重量輕;
3、閥瓣關閉快速,水錘壓力??;
4、水平管道或垂直管道均可使用,安裝方便;
5、流道通暢、流體阻力?。?br style="overflow-wrap: break-word; color: rgb(68, 68, 68); font-family: 宋體; font-size: 12px;"/>6、動作靈敏、密封性能好;
7、閥瓣行程短、關閥沖擊力??;
8、整體結構、簡單緊湊、造型美觀;
9、使用壽命長、可靠性高。
零件名稱 | 材料 |
閥體、閥瓣 | 碳素鋼、不銹鋼、鉻鉬鋼 |
吊環(huán) | 碳素鋼、不銹鋼 |
搖臂(長型) | 碳素鋼、不銹鋼、鉻鉬鋼 |
密封面 | 丁晴橡膠、不銹鋼、聚四氟乙烯、尼龍塑料 |
型號 | 公稱壓力(MPa) | 試驗壓力Ps(MPa) | 工作溫度(℃) | 適用介質 | 閥體材質裁 | ||
殼體 | 密封 | 軟密封 | 硬密封 | ||||
H76X/H H46X/H | 1.0 | 1.5 | 1.1 | ≤80或(or) ≤150 | ≤200 | 水、油、水(蒸汽) 酸堿等介質 | 碳素不銹鋼、鉻鉬鋼等 |
1.6 | 2.4 | 1.8 | |||||
2.5 | 3.8 | 2.8 | |||||
4.0 | 6.0 | 4.4 | |||||

DN(mm) | L | d | D | |||
Pn10 | Pn16 | Pn25 | Pn40 | |||
50 | 43 | 25 | 109 | 109 | 109 | 109 |
65 | 46 | 38 | 129 | 129 | 129 | 129 |
80 | 51 | 46 | 144 | 144 | 144 | 144 |
100 | 64 | 71.5 | 164 | 164 | 170 | 170 |
125 | 70 | 95 | 194 | 194 | 196 | 196 |
150 | 98 | 114 | 221 | 221 | 226 | 226 |
200 | 127 | 140 | 275 | 275 | 286 | 293 |
250 | 146 | 188 | 330 | 331 | 343 | 355 |
在線留言